hcsr501
Table of Contents
Movement detection by PIR sensor HC-SR501
General
There are fairly cheap PIR sensors available under the name HC-SR501. According to various pages this sensors are really nice. Here some features:
- less than 80uA power consumtion (max 150 uA while motion is detected)
- adjustable sensitivity and range 3 to 7m
- prepared to attach a photoresitor
- output signal is 3.3 V high / low signal
- VCC range is 4.5 to 20V
Measured at a sample it uses 35 µA if idle. If movement is detected the OUT pin goes from 0.0 V to 3.3 V and uses than 190 µA.
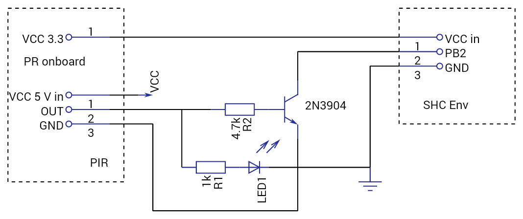
Wiring
The PCB has a voltage regulator, a HT7133-1, which is used to make a stable 3.3 V from the VCC (4.5 V to 20 V). So we drive the combination of Env-Senso Board and HC-SR501 by 4 AA batteries and solder additional pins to the PCB as power source for the EnvSensor.
Add changes to monitor battery level again!
Housing Integration
tdb
Usage Example with OpenHAB
tdb
hcsr501.txt · Last modified: 2016/05/24 15:40 by GoHoHa
